DUO/DUO PLUS Ascaso Factory Technical Update | Steam Hose Material Change | 06/2024
Technical update from the Ascaso Factory regarding the change in hose material for the Ascaso Steel DUO / DUO PLUS PID.

Technical release number: 2024_06_ASC
Division: VPS
Product: Steel Duo, DUO PID and DUO PID PLUS
Part: New stainless steel flexible hose
Update Type: Advised
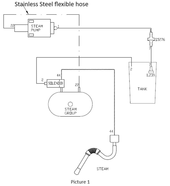
Subject: New stainless steel flexible hose for steam system
This Tech Note informs about the introduction of a new stainless steel flexible hose located in
between the steam pump and the steam thermoblock. See Picture 1.

Current PTFE tube is replaced by a new stainless steel flexible hose that improves its
performance at higher pressure and temperature.
This new stainless steel flexible hose will be used in assembly of STEEL DUO, DUO PID and
DUO PLUS machines, starting from the serial number 3000012149, on June 7th, 2024.
1. Current and new reference spare part
- Current reference – PTFE tube

Reference | Description | Quantity
29120090| TEFLON PIPE 4x6 (220mm) | Qty: 1
09746180 | BICONE NUT | Qty: 2
09746190 | BICONE DIAMETER 6 mm | Qty: 2
10050000 | PIPE REINFORCEMENT | Qty: 2
- New reference - Stainless steel flexible hose

Reference | Description | Quantity
09748100 | FLEXO INOX NSF DN6 EPDM 1/8 PLANO L=240 | Qty: 1
10042420 | EXCHANGER GASKET | Qty: 2
2. New stainless steel flexible hose as spare part to order depending on the serial number
To change this new hose is required to order the following parts depending on whether the machine is from before or after the serial number 3000012149, or the date of June 7th, 2024.
2.1 Before 3000012149, or the date of June 7th, 2024.
The following parts need to be ordered to adapt the new stainless steel flexible hose between the
steam pump and the steam thermoblock
Reference | Description | Quantity
09748100 | FLEXO INOX NSF DN6 EPDM 1/8 PLANO L=240 | Qty: 1
10042420 | EXCHANGER GASKET | Qty: 2
19100260 | ELBOW FITTING 1/8 M-M INOX | Qty: 2
Beside the new hose and the two gaskets mentioned above, the two current elbow fittings with
ref:41300000 need to be replaced with the new two elbow fittings with ref: 19100260, as is shown in the picture below (Picture2) in order to install the new hose between steam thermoblock and steam pump.

2.2 After 3000012149, or the date of June 7th, 2024
Reference | Description | Quantity
09748100 | FLEXO INOX NSF DN6 EPDM 1/8 PLANO L=240 | Qty: 1
10042420 | EXCHANGER GASKET | Qty: 2
Dated: September 25th, 2024